娱乐中心品牌厂家上海新光明泵业以精zhan工艺打造QBY气动隔膜泵,电动隔膜泵,气动双隔膜泵。产品性能稳定,质量可靠。QBY气动隔膜泵,DBY电动隔膜泵,气动双隔膜泵技术021-62156413
隔膜泵是一种新型输送机械,采用压缩空气或电机为动力源,隔膜泵它是由膜片往复变形造成容积变化的容积泵。隔膜泵质量可靠,使用寿命长,噪音低,振动小,不崩溃,工作精细等六大优点,既可泵送常规流动介质,又可用于输送一些不易流动的介质,DBY电动隔膜泵(涡轮式)具有自吸泵、潜水泵、屏蔽泵、泥浆泵等杂质输送机械的优点。隔膜泵根据不同液体介质分别采用丁晴橡胶、氯丁橡胶、氟橡胶、聚四氟乙烯。以满足不同用户的需要。气动隔膜泵、电动隔膜泵广泛应用于石油、化工、电子、陶瓷、纺织、油漆、制药机械等行业。
DBY电动隔膜泵(涡轮式)产品概述
娱乐中心新研制开发的XDBY型电动隔膜泵,采用XLD系列摆线针轮减速机传动动力,电动隔膜泵是一种新型的泵类,近年来,由于在隔膜材质上取得了突破性的进展,上越来越多的工业化国家采用此种型式的泵,取代部份离心泵、螺杆泵,来应用于石化、陶瓷、冶金等行业,产品设计均参考美国ABEL公司样机,该泵适用于低压,即出口压力≤3kgf/cm2的场合。
DBY电动隔膜泵(涡轮式)技术参数
娱乐中心流量:0-20m3/h;
扬程:30m;
功率:0.37-4kw;
转速:1450r/min;
口径:10-100mm;
温度:-15-+150℃;
自吸高度:5-7m。
DBY电动隔膜泵(涡轮式)性能参数
| 型号 | 泵 | 流量M3/h | 扬程M | 吸程M | 配备功率KW | 使用温度。C | 配备诚速机型号 | |||
| 进口 | 出口 | 铸铁 | 不锈钢 | 铝合金 | ||||||
| DBY-10 | 丝扣 | 3/8" | 0.5 | 30 | 3-4 | 0.55 | 80 | 120 | 80 | XWD0.55-2-35 |
| DBY-15 | 丝扣 | 1/2" | 0.75 | 30 | 3-4 | 0.55 | 80 | 120 | 80 | XWD0.5-2-35 |
| DBY-25 | 25 | 25 | 3.5 | 30 | 3-4 | 1.5 | 80 | 120 | 80 | XLD1.5-3-35 |
| DBY-40 | 40 | 40 | 4.5 | 30 | 3-4 | 1.5 | 80 | 120 | 80 | XLD1.5-3-35 |
| DBY-50 | 50 | 50 | 6.5 | 30 | 3-4 | 3 | 80 | 120 | 80 | XLD2.2-3-35 |
| DBY-65 | 65 | 65 | 8 | 30 | 3-4 | 3 | 80 | 120 | 80 | XLD2.2-3-35 |
| DBY-80 | 80 | 80 | 16 | 30 | 3-4 | 4 | 80 | 120 | 80 | XLD3-3-35 |
| DBY-100 | 100 | 100 | 20 | 30 | 3-4 | 4 | 80 | 120 | 80 | XLD3-3-35 |
DBY电动隔膜泵(涡轮式)产品适用范围
1、各种剧毒、易燃、易挥发液体。
娱乐中心2、各种强酸、强碱、强腐蚀液体。
3、可输送较高温度的介质150℃。
4、作为各种压滤机前级送压装置。
5、热水回收及循环。
娱乐中心6、油罐车、油库、油品装卸。
7、泵吸泡菜果酱、土豆泥、巧克力等。
8、泵吸油漆、树胶、颜料粘合剂。
9、各种瓷器釉浆水泥灌浆灰浆泥浆。
娱乐中心10、各种橡胶浆乳胶、有机溶剂、填料。
11、用泵为油轮驳船清仓吸取仓内污水及剩油。
12、啤酒花及发酵粉稀浆、糖浆、糖蜜。
13、泵吸矿井、坑道、隧道、下水道中污水、沉淀物。
娱乐中心14、各种特殊介质的吸送。

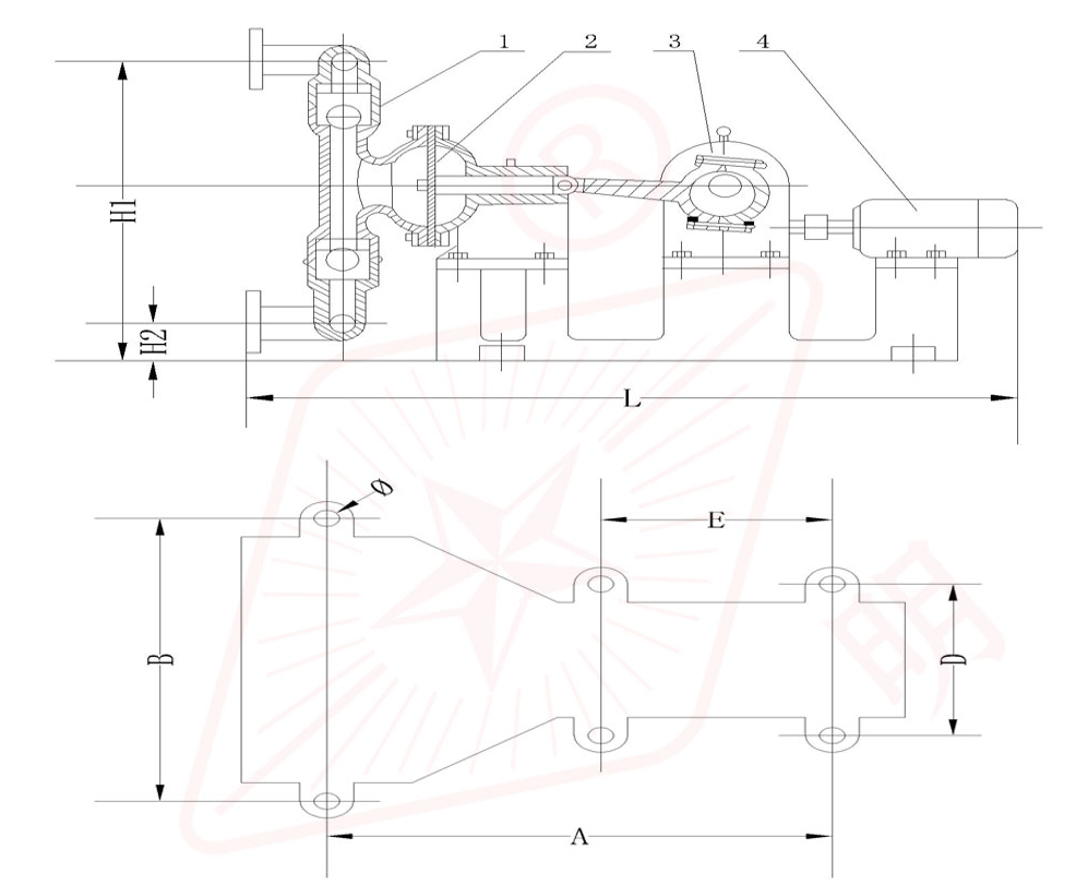
DBY电动隔膜泵(涡轮式)尺寸图
| 型号 | A | B | D | E | Φ | L | H1 | H2 |
| DBY-10 | 400 | 200 | 200 | / | Φ14*4 | 620 | 300 | 50 |
| DBY-15 | 400 | 200 | 200 | / | Φ14*4 | 620 | 300 | 50 |
| DBY-25 | 500 | 285 | 285 | / | Φ18*4 | 740 | 510 | 65 |
| DBY-40 | 500 | 285 | 285 | / | Φ18*4 | 740 | 510 | 65 |
| DBY-50 | 800 | 370 | 370 | 400 | Φ20*4 | 1080 | 770 | 70 |
| DBY 65 | 800 | 370 | 370 | 400 | Φ20*4 | 1080 | 770 | 70 |
| DBY-80 | 1000 | 420 | 420 | 500 | Φ20*4 | 1240 | 960 | 130 |
| DBY-100 | 1000 | 420 | 420 | 500 | Φ20*4 | 1240 | 960 | 130 |







